产品展示

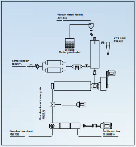
熔体直纺在线计量混合注入系统

失重式双计量液体色浆在线熔融添加系统技术,采用失重式混配系统,在切片和母粒进入熔融螺杆之前进行高精度计量混合给料后,经过熔融挤出机及特殊静态混合器,复合式动态搅拌器、注射计量泵装置、过滤器及与之配套的闭环电控系统,与客户的溶体直纺管道结合,进行温度控制及在线实时压力监测、控制。为客户差异化色丝及功能纤维提供技术支持。


主要特点:

全中文操作界面,简单易懂

全方位预警报警系统、精度误差报警系统

双重高精度计量混合给料(颗粒及熔体同时高精度计量)

特殊静态混合器

复合式螺杆动态混合器

各环节在线实时检测,闭环运算系统,稳定、故障率低


微信图片_20241008155712

版权所有 ©  2021 常州江本自控设备有限公司    苏ICP备2021028983号-1